今日はジムニーの灯火類チェック!
ささっとしらべてブドウの剪定作業に入るつもりが・・・謎すぎて、剪定ばさみ持たずに終わりました(汗
謎現象 その1 ブレーキランプがつかない!!
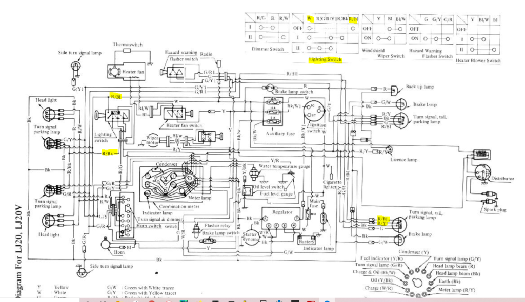
ヒューズの確認、玉切れ確認、等々おこない、いったいなぜだろう??と配線図を確認。
ありがたいことにLJ20のサービスマニュアルがネット上にあるので、回路図をにらめっこして・・・

イグニッションスイッチのあたりにある、ヒューズボックス、なんか回路図とちがいます。
回路図ではヒューズノックス5Aと10Aがつながっていますが、実写ではなぜか繋がっていません。
ここをつなげてみました。

が、残念。ブレーキ点灯しません。が、イグニッションオンで点灯しました!
普通はブレーキランプは常時オンだと思うのですが、LJ20は違うようです。
(ライト、ウインカーは常時ONでした。 なぜウインカー??)
画面中央、円柱状の部品に緑と黄色の配線がされているのが、ブレーキスイッチです。

再度確認。これで一応、一通り、ほぼ点灯します。
フロントのスモールライトが動作おかしいです。スモールで点灯、ヘッドライトONで消灯。なぜ??
後ろはスモールで点灯、ヘッドライトONでも点灯です。
もう一つ、謎現象がR/Blライン
これ、いったい何なんでしょう?
フロントのターンライト、リアのターンライト、どちらにも来ています。
アースなの?でもアースとしては機能していなかったのだけど・・・
もう一度回路図
フロントはR/BkがスモールライトONで点灯 ヘッドライトONで消灯
リアはR/YがスモールライトONで点灯 ヘッドライトONでも点灯
回路図みるとR/YとR/Bkはそもそもスイッチから経路がことなっているので、こういう仕様なのでしょうか?
ヘッドライトをつけたら、スモールが消える。そんなんで車検通るのかなぁ?
回路図のライトスイッチのところみても、よくわかりません
なので、実写のスイッチも確認しておきます。

メーターはビス4本で止まっているだけなので、脱着簡単です。
スイッチとるだけなら、メーター外さなくても大丈夫でした(汗

スイッチ(上側)は根元の丸い樹脂パーツをかに目スパナで回せば外れます。
が、ぴったりのかに目スパナないので、プライヤーで回しました。
下側のライトスイッチはフォグランプ用です。
配線は途中で切れていました。

あいにく小さいマイナスドライバーがなくて、スイッチは外せませんでした。
かなりの埃です。
今日はここまで!



コメント